注意:访问本站需要Cookie和JavaScript支持!请设置您的浏览器! 打开购物车 查看留言付款方式联系我们
初中电子 单片机教材一 单片机教材二
搜索上次看见的商品或文章:
商品名、介绍 文章名、内容
首页 电子入门 学单片机 免费资源 下载中心 商品列表 象棋在线 在线绘图 加盟五一 加入收藏 设为首页
本站推荐:
耳机功放IC TDA1308
文章长度[976] 加入时间[2006/7/1] 更新时间[2026/4/18 23:26:54] 级别[3] [评论] [收藏]

2003年,第9期,类别:音响技术


  TDA1308是飞利普公司推出的甲乙类CD专用耳机功放集成电路,其优异的性能使得以往的TDA2822、TDA7050、LM386等“经典”功放望尘莫及。
  常见资料介绍的基本上采用单电源(3~7V)供电,实际上TDA1308也是一只双运放,引脚功能与NE5532等运放完全相同。但用它来直接代换常见的NE5532等运放却有一定的困难,因其工作电压很低(最高仅为±3.5V),尺寸也只有5.8mm×4.8mm×1.75mm,而它的这些“缺点”和其极低的功耗(静态电流约3mA,工作时约5mA)与工作电压(可低至±1.2V,此时音质仍听不出有变化)无疑是制作微型低压电路(如立体声单放机和收音机)的首选。TDA1308的另一个优点是信噪比极高(达100dB),实际试听表明其信噪比较NE5532、LF353等运放明显要好得多。
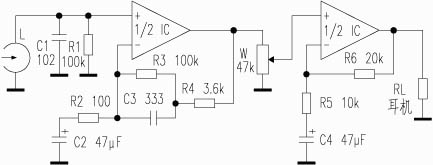
  下面介绍用TDA1308制作的Hi-Fi立体声单放机,电路如下图所示。每声道各用了一只,两个放大单元分别担任了前置和功放,提高了声道的分离度,其立体感十分优良。电机稳速电路选择的余地较大,只要工作电压合适就可以了,如AN6650、KA2201等等都可以,这里就不作介绍了。需要指出的是,TDA1308采用的是MOSFET作输入级和输出级,输入偏置电流几乎可以不计,防止了偏置电流过大使磁头磁化的可能,这点也是NE5532等采用晶体管作输入级的运放所不及的。
  该电路采用双电源供电,电压可在±1.5V到±3V之间选择。由于省去了耦合电容,加上TDA1308的高信噪比使背景噪声几乎听不到,故音质非常通透清晰。
  可能是因为TDA1308工作电压低、电流小的缘故,总觉得其力度稍小,略显单薄,在推动功率略大的耳机时也有点力不从心的感觉。但其清爽的音色仍然值得一“烧”。

                                    广东  蔡佳清



 

1、 本站不保证以上观点正确,就算是本站原创作品,本站也不保证内容正确。
2、如果您拥有本文版权,并且不想在本站转载,请书面通知本站立即删除并且向您公开道歉! 以上可能是本站收集或者转载的文章,本站可能没有文章中的元件或产品,如果您需要类似的商品请 点这里查看商品列表!
本站协议 | 版权信息 |  关于我们 |  本站地图 |  营业执照 |  发票说明 |  付款方式 |  联系方式
深圳市宝安区西乡五壹电子商行——粤ICP备16073394号-1;地址:深圳西乡河西四坊183号;邮编:518102
E-mail:51dz$163.com($改为@);Tel:(0755)27947428
工作时间:9:30-12:00和13:30-17:30和18:30-20:30,无人接听时可以再打手机13537585389