| 注意:访问本站需要Cookie和JavaScript支持!请设置您的浏览器! • 打开购物车 • 查看留言 • 付款方式 • 联系我们 |
![]() |
| 首页 | 电子入门 | 学单片机 | 免费资源 | 下载中心 | 商品列表 | 象棋在线 | 在线绘图 | 加盟五一 | 加入收藏 | 设为首页 |
| 选择分类:当前分类——常用资料 相关联或者相类似的文章: CMOS集成电路应用常识(543) 直流输入如何得到220V/1-2W的交流电(543) 法传销组织的“洗脑”骗术三(542) 电子技术自立学习法(541) 一款最简单的手机/MP3充电器电路图(541) 可充电电池技术和充电方法(540) SC3610频率及时钟显示驱动电路(540) 写给伟大教师的一封信:(539) STC单片机简介(539) 什么是卫星电视广播,它由几部分组(539) 多间单房长年低价招租(538) 固态继电器的选型注意事项(538) 存储器名词解释 (538) 专访中国农民制造超轻型飞机第一人——刘亦兵 (538) 常用三极管资料查询2(537) 常用三极管资料查询1(537) 【图文】科学家找到揭开地球最初奥(536) 摩托罗拉168VA手机汽车充电器剖析 (536) ★单片双路四位计数器程序(536) 简易漏电报警器(535) 首页 前页 后页 尾页 本站推荐: | 多功能单相400Hz逆变电源 海军航空工程学院史贤俊(烟台264001) 摘要:介绍一种输出为115V、400Hz电源的工作原理,给出了相应的电路原理图及参数。 关键词:PWM调制逆变谐波 1引言 直流27V变为交流115V、400Hz的逆变电源在部队和船舶上应用广泛,有较大需求。针对这一情况,我们研制了800VA的单相静态逆变电源,该电源采用直流27V输入,可以输出115V、400Hz的正弦波电压。并且用3台同样的电源经适当联接,在外围电路控制下,可以作为一台三相逆变电源使用。 目前,新技术不断出现,构成DC/AC逆变的方法有很多。但考虑到具体的使用条件以及成本与可靠性,该电源采用了比较典型的两级变换的方式,即第一级运用DC/DC变换,将27V变换为约±130V的直流高压,第二级运用DC/AC变换,将直流高压变换为交流输出,通过反馈调节±130V的高压直流电来保证稳定的交流115V输出。这样,既简化了电路调试和生产过程,质量也容易控制,便于产业化。 2主电路设计 2.1利用DC/DC变换器实现稳压 该变换器采用了推挽工作方式,具有效率高、工作可靠的优点。如图1所示,该变换器的作用是将低压直流电变换为高压直流电。主变压器T1初级接成推挽形式,次级因为电压较高,用全桥方式进行整流,开关管S1、S2分别用4只IRF3710并联,有效地降低了导通损耗。功率MOSFET的共生二极管同时可作为开关管关断时的交流通路,抑制开关管两端的关断过电压。R2、C3、R3、C4为阻容吸收电路,可以进一步降低MOSFET关断时的尖峰电压。吸收电阻选择的原则,是在最小导通时间时,仍能使电容上的电压放电完毕,而吸收电容在吸收电阻功耗许可范围内尽量取大。经过实验,本电路的吸收电阻为5Ω、5W,吸收电容为0.1μF、250VDC。 主变压器T1选用TDK的PQ50/50磁芯,经过计算(公式见参考文献1),本变压器初级为2匝,次级为30匝。因为初级电流较大,采用厚度为0.5mm的薄铜片绕制,同时采用初级、次级交替绕制的方法,使漏电感、趋肤及邻近效应最小。
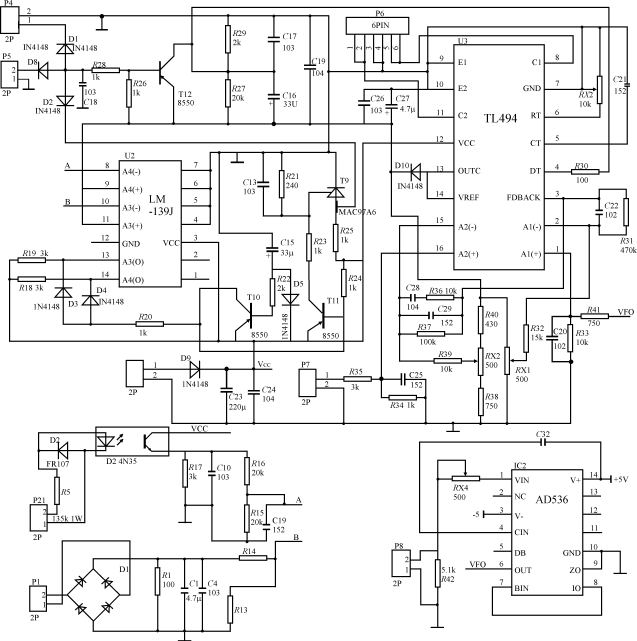
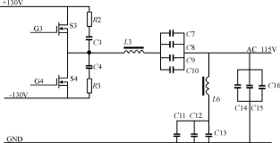
图1DC/DC变换主电路 滤波电感L1和L1'共绕在同一个CD形的铁心上,电感量为1.0mH。在连接上,L1和L1'是串联电感的形式,这样可以提高电感量,并能确保对地输出动态和静态特性均较好的±130V电压。L2和L2'是一组辅助滤波电感。 在实际的电路调试中,应注意本级接阻性负载和接第二级DC/AC负载时,推挽变换器功率管的电压波形明显不同。在第二种情况下,功率管关断时的尖峰电压较小。 2.2利用DC/AC逆变输出正弦波 因为本电源是输出定频定压115V、400Hz电源,从系统的可靠性和实用性出发,采用了方波变换,加谐振滤波的方法来输出正弦波电压。主电路见图2。 S3、S4采用IRFP460,其驱动电路采用SKHI21,电路简单可靠,SKHI21的详细资料见参考文献2。L3电感量为6.8mH,采用CD12.5×25×60的铁心加气 隙绕成,线径为1.65mm;为了提高铁心的利用效率,两个绕组共用一个铁心,串联而成一个电感。C7~C10为5.0μF、400VDC的MKC电容;C14~C16为5.0μF、250VDC的MKP电容;C11~C13为1μF,400VDC的MKC电容,L6和C11~C13组成串联谐振电路,主要用于滤掉三次谐波,L6等于4.3mH。该滤波电路经电路仿真软件EWB5.1D进行仿真计算,各元器件参数均做了最优化处理,在一定负载条件下,谐波失真度可控制在4%左右。 3控制电路设计 控制电路由两部分组成,一部分用于提供推挽式升压电路的驱动信号及电流、电压反馈控制与保护,见图3;另一部分则为逆变电路提供驱动、保护信号,见图4。在图3中,以TL494为核心构成PWM驱动及保护电路,变换频率为50kHz。115V输出电压经隔离
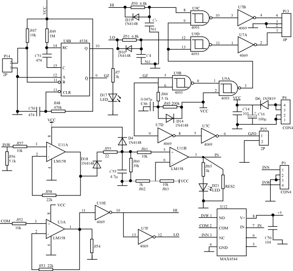
图2DC/AC变换主电路 降压后送到P8,经过AD536取有效值后送入TL494的误差放大器A1,用作系统的闭环电压控制。推挽式逆变电路的电流经电流互感器采样由P7送于控制板进行信号处理后送入TL494的误差放大器A2,作为系统的电流环控制。TL494输出的驱动信号经P6输出到驱动板进行放大后送入主电路。该系统电路还具有完善的保护措施,包括: (1)115V输出电流过流保护。电流互感器的输出信号经P1进入比较器U2,经判断比较后送入TL494的缓起动封锁端(DT)。 (2)热保护。该系统在主要的功率器件上均装有温度继电器,当温度过高时,相应的P4两端短路,从而使T12的发射极输出高电平,封锁PWM脉冲输出。 (3)DC/AC逆变主电路过流保护及直流过压保护。二者均由相应的传感器将信号送入控制板P5和P21处理后,封锁PWM脉冲输出。 图4展示的电路,主要用于产生DC/AC逆变所需的驱动信号。该驱动信号可由本系统的信号电路产生,也可由外部电路供给,以便实现系统的并联输出,其转换通过U12(MAX4544)多路开关自动进行,当有外加信号时,经过由U11等组成的电路处理,U11B-7向U12-7输出高电平,从而使电子开关动作,实现驱动信号由内部电路向外部电路的切换。驱动信号由U3A放大及U10E整形后分别送于上升沿延时电路,延时电路主要由R50,C3,D15组成,完成驱动信号的上升沿加“死区”时间的功能。这样,就避免了同一臂的两只开关管发生“直通”现象。其他的一些电路主要用于保护,提高系统的可靠性。 4结语
图3DC/DC变换控制电路
图4DC/AC变换电路控制电路 1、 本站不保证以上观点正确,就算是本站原创作品,本站也不保证内容正确。 2、如果您拥有本文版权,并且不想在本站转载,请书面通知本站立即删除并且向您公开道歉! |
|
本站协议 |
版权信息 |
关于我们 |
本站地图 |
营业执照 |
发票说明 |
付款方式 |
联系方式
深圳市宝安区西乡五壹电子商行——粤ICP备16073394号-1;地址:深圳西乡河西四坊183号;邮编:518102 E-mail:51dz$163.com($改为@);Tel:(0755)27947428 工作时间:9:30-12:00和13:30-17:30和18:30-20:30,无人接听时可以再打手机13537585389 |