注意:访问本站需要Cookie和JavaScript支持!请设置您的浏览器! 打开购物车 查看留言付款方式联系我们
初中电子 单片机教材一 单片机教材二
搜索上次看见的商品或文章:
商品名、介绍 文章名、内容
首页 电子入门 学单片机 免费资源 下载中心 商品列表 象棋在线 在线绘图 加盟五一 加入收藏 设为首页
本站推荐:
5. 广告灯(利用取表方式)
文章长度[] 加入时间[2008/5/30] 更新时间[2026/4/21 22:42:57] 级别[0] [评论] [收藏]
 
1.      实验任务
利用取表的方法,使端口P1做单一灯的变化:左移2次,右移2次,闪烁2次(延时的时间0.2秒)。
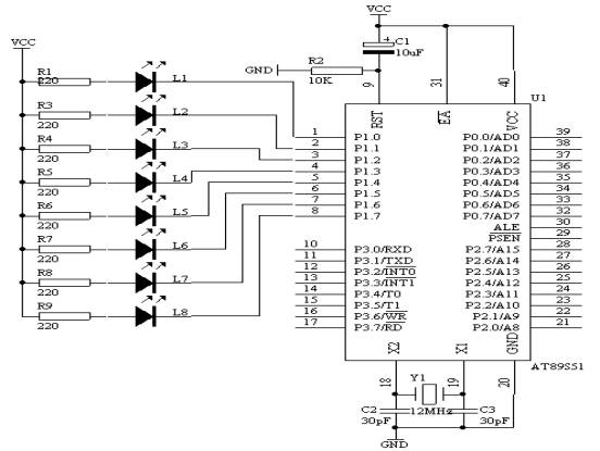
2.      电路原理图
图4.5.1
3.      系统板上硬件连线
  把“单片机系统”区域中的P1.0-P1.7用8芯排线连接到“八路发光二极管指示模块”区域中的L1-L8端口上,要求:P1.0对应着L1,P1.1对应着L2,……,P1.7对应着L8。
4.      程序设计内容
在用表格进行程序设计的时候,要用以下的指令来完成
(1).  利用MOV DPTR,#DATA16的指令来使数据指针寄存器指到表的开头。
(2).  利用MOVC A,@A+DPTR的指令,根据累加器的值再加上DPTR的值,就可以使程序计数器PC指到表格内所要取出的数据。
因此,只要把控制码建成一个表,而利用MOVC 工,@A+DPTR做取码的操作,就可方便地处理一些复杂的控制动作,取表过程如下图所示:
5.      程序框图
 
图4.5.2
6.      汇编源程序
                            ORG 0
START:               MOV DPTR,#TABLE
LOOP:                CLR A
                            MOVC A,@A+DPTR
                            CJNE A,#01H,LOOP1
                            JMP START
LOOP1:              MOV P1,A
                           MOV R3,#20
                            LCALL DELAY
                            INC DPTR
                           JMP LOOP
DELAY:              MOV R4,#20
D1:                     MOV R5,#248
                            DJNZ R5,$
                            DJNZ R4,D1
                           DJNZ R3,DELAY
                            RET
TABLE:              DB 0FEH,0FDH,0FBH,0F7H
                            DB 0EFH,0DFH,0BFH,07FH
                           DB 0FEH,0FDH,0FBH,0F7H
                            DB 0EFH,0DFH,0BFH,07FH               
                           DB 07FH,0BFH,0DFH,0EFH
                            DB 0F7H,0FBH,0FDH,0FEH
                            DB 07FH,0BFH,0DFH,0EFH
                            DB 0F7H,0FBH,0FDH,0FEH
                            DB 00H, 0FFH,00H, 0FFH
                            DB 01H
                            END
7.      C语言源程序
#include <AT89X51.H>
unsigned char code table[]={0xfe,0xfd,0xfb,0xf7,
                            0xef,0xdf,0xbf,0x7f,
                            0xfe,0xfd,0xfb,0xf7,
                            0xef,0xdf,0xbf,0x7f,
                            0x7f,0xbf,0xdf,0xef,
                            0xf7,0xfb,0xfd,0xfe,
                            0x7f,0xbf,0xdf,0xef,
                            0xf7,0xfb,0xfd,0xfe,
                            0x00,0xff,0x00,0xff,
                            0x01};
unsigned char i;
void delay(void)
{
  unsigned char m,n,s;
  for(m=20;m>0;m--)
  for(n=20;n>0;n--)
  for(s=248;s>0;s--);
}
void main(void)
{
  while(1)
    {
      if(table[i]!=0x01)
        {
          P1=table[i];
          i++;
          delay();
        }
        else
          {
            i=0;
          }
    }
}
1、 本站不保证以上观点正确,就算是本站原创作品,本站也不保证内容正确。
2、如果您拥有本文版权,并且不想在本站转载,请书面通知本站立即删除并且向您公开道歉! 以上可能是本站收集或者转载的文章,本站可能没有文章中的元件或产品,如果您需要类似的商品请 点这里查看商品列表!
本站协议 | 版权信息 |  关于我们 |  本站地图 |  营业执照 |  发票说明 |  付款方式 |  联系方式
深圳市宝安区西乡五壹电子商行——粤ICP备16073394号-1;地址:深圳西乡河西四坊183号;邮编:518102
E-mail:51dz$163.com($改为@);Tel:(0755)27947428
工作时间:9:30-12:00和13:30-17:30和18:30-20:30,无人接听时可以再打手机13537585389