| 注意:访问本站需要Cookie和JavaScript支持!请设置您的浏览器! • 打开购物车 • 查看留言 • 付款方式 • 联系我们 |
![]() |
| 首页 | 电子入门 | 学单片机 | 免费资源 | 下载中心 | 商品列表 | 象棋在线 | 在线绘图 | 加盟五一 | 加入收藏 | 设为首页 |
| 选择分类:当前分类——学单片机 相关联或者相类似的文章: 三十分钟一个小时学会单片机(9045) 什么是单片机?单片机有什么用? (8723) 如何用STC板将代码烧录进IC(8681) 怎样安装AT51编程板的USB转串口软件?(8206) 送给单片机爱好者——LED在线编码器(1814) 送给单片机爱好者——LED点阵在线编码器(1544) 单片机系统中的汉字显示(1492) 带语音报数功能的抢答器(1489) 用VB进行串口实时数据采集(1347) 用AT89C2051设计超声波测距仪(1171) 小小电子闹钟 生活学习良伴(1165) DS1820测温原理(1129) 几句代码实现控制摄像头(转)(1117) STC单片机选型指南(1111) 自制PIC单片机编程器(1105) USB转串口芯片CH340(1010) 快速学习单片机之黄金机会!(1010) 告戒购单片机开发实验板初学者(970) 新款实用旋转LED显示屏A(890) 使用市售 USB转RS232串口与PLC通信的测试报告 (881) 首页 前页 后页 尾页 本站推荐: | 10. 00-99计数器 1. 实验任务
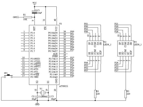
利用AT89S51单片机来制作一个手动计数器,在AT89S51单片机的P3.7管脚接一个轻触开关,作为手动计数的按钮,用单片机的P2.0-P2.7接一个共阴数码管,作为00-99计数的个位数显示,用单片机的P0.0-P0.7接一个共阴数码管,作为00-99计数的十位数显示;硬件电路图如图19所示。
2. 电路原理图
![]() 图4.10.1
3. 系统板上硬件连线
(1. 把“单片机系统”区域中的P0.0/AD0-P0.7/AD7端口用8芯排线连接到“四路静态数码显示模块”区域中的任一个a-h端口上;要求:P0.0/AD0对应着a,P0.1/AD1对应着b,……,P0.7/AD7对应着h。
(2. 把“单片机系统”区域中的P2.0/A8-P2.7/A15端口用8芯排线连接到“四路静态数码显示模块”区域中的任一个数码管的a-h端口上;
(3. 把“单片机系统”区域中的P3.7/RD端口用导线连接到“独立式键盘”区域中的SP1端口上;
4. 程序设计内容
(1. 单片机对按键的识别的过程处理
(2. 单片机对正确识别的按键进行计数,计数满时,又从零开始计数;
(3. 单片机对计的数值要进行数码显示,计得的数是十进数,含有十位和个位,我们要把十位和个位拆开分别送出这样的十位和个位数值到对应的数码管上显示。如何拆开十位和个位我们可以把所计得的数值对10求余,即可个位数字,对10整除,即可得到十位数字了。
(4. 通过查表方式,分别显示出个位和十位数字。
5.
程序框图 图4.10.2
6. 汇编源程序
Count EQU 30H
SP1 BIT P3.7
ORG 0
START: MOV Count,#00H
NEXT: MOV A,Count
MOV B,#10
DIV AB
MOV DPTR,#TABLE
MOVC A,@A+DPTR
MOV P0,A
MOV A,B
MOVC A,@A+DPTR
MOV P2,A
WT: JNB SP1,WT
WAIT: JB SP1,WAIT
LCALL DELY10MS
JB SP1,WAIT
INC Count
MOV A,Count
CJNE A,#100,NEXT
LJMP START
DELY10MS: MOV R6,#20
D1: MOV R7,#248
DJNZ R7,$
DJNZ R6,D1
RET
TABLE: DB 3FH,06H,5BH,4FH,66H,6DH,7DH,07H,7FH,6FH
END
7. C语言源程序
#include <AT89X51.H>
unsigned char code table[]={0x3f,0x06,0x5b,0x4f,0x66,
0x6d,0x7d,0x07,0x7f,0x6f};
unsigned char Count;
void delay10ms(void)
{
unsigned char i,j;
for(i=20;i>0;i--)
for(j=248;j>0;j--);
}
void main(void)
{
Count=0;
P0=table[Count/10];
P2=table[Count%10];
while(1)
{
if(P3_7==0)
{
delay10ms();
if(P3_7==0)
{
Count++;
if(Count==100)
{
Count=0;
}
P0=table[Count/10];
P2=table[Count%10];
while(P3_7==0);
}
}
}
} 1、 本站不保证以上观点正确,就算是本站原创作品,本站也不保证内容正确。 2、如果您拥有本文版权,并且不想在本站转载,请书面通知本站立即删除并且向您公开道歉! |
|
本站协议 |
版权信息 |
关于我们 |
本站地图 |
营业执照 |
发票说明 |
付款方式 |
联系方式
深圳市宝安区西乡五壹电子商行——粤ICP备16073394号-1;地址:深圳西乡河西四坊183号;邮编:518102 E-mail:51dz$163.com($改为@);Tel:(0755)27947428 工作时间:9:30-12:00和13:30-17:30和18:30-20:30,无人接听时可以再打手机13537585389 |