| 注意:访问本站需要Cookie和JavaScript支持!请设置您的浏览器! • 打开购物车 • 查看留言 • 付款方式 • 联系我们 |
![]() |
| 首页 | 电子入门 | 学单片机 | 免费资源 | 下载中心 | 商品列表 | 象棋在线 | 在线绘图 | 加盟五一 | 加入收藏 | 设为首页 |
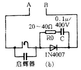
| 选择分类:当前分类——电子入门 相关联或者相类似的文章: 单片机系统软件抗干扰方法(496) 受骗街头残局损失300元 棋迷找来高手讨回公道 (496) 手电筒电路(496) [原创]用PCF8563时钟芯片遇到的问题(496) 镍镉电池自动充电、放电器(496) 道德指向最大的利益[转载](495) 自制亚微秒脉冲幅值测试仪(495) 电力线载波报警器 (494) 老掉牙的芯片BA1404 (494) 断线防盗报警器(494) 断丝日光灯废管的利用(494) 本站贴片元件已经全部赠送完!(494) 音响发烧“土炮”的自画像(搞笑)(494) 4. 广告灯的左移右移(493) 电视机常用名词中英文对照(上)(492) 谨慎——害人不浅的单片机实验开发板(492) 单元电路图识图方法(492) 实用恒流充电器(492) ++ 电热毯温控器&n(491) 转载收藏——强烈质疑AVR单片机!(491) 首页 前页 后页 尾页 本站推荐: | 断丝日光灯废管的利用 近日读98年9月20期《电子报》四种直接点燃日光灯电路,其中的一种把如图a接启辉器的A、B处改为b图,通过反复实验效果还不够理想。 ![]() 笔者再将图b略加改动如图c后,对两头未烧黑且一头断丝的20~40W日光灯能迅速点燃,速度之快真是出乎意料,特别是当市电电压降到170V左右灯管也能正常发光。 此电路的缺点是接通电源开关后还得按一下微动开关。 ![]() ![]() 1、 本站不保证以上观点正确,就算是本站原创作品,本站也不保证内容正确。 2、如果您拥有本文版权,并且不想在本站转载,请书面通知本站立即删除并且向您公开道歉! |
|
本站协议 |
版权信息 |
关于我们 |
本站地图 |
营业执照 |
发票说明 |
付款方式 |
联系方式
深圳市宝安区西乡五壹电子商行——粤ICP备16073394号-1;地址:深圳西乡河西四坊183号;邮编:518102 E-mail:51dz$163.com($改为@);Tel:(0755)27947428 工作时间:9:30-12:00和13:30-17:30和18:30-20:30,无人接听时可以再打手机13537585389 |