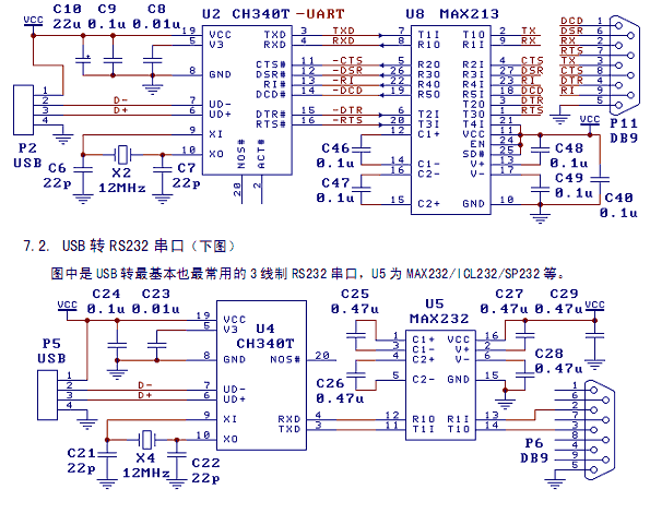
CH340 是一个USB 总线的转接芯片 SOP-20全新原装,实现USB 转串口、USB 转IrDA 红外或者USB 转打印口。 在串口方式下,CH340 提供常用的MODEM联络信号,用于为计算机扩展异步串口,或者将普通的串口设备直接升级到USB 总线。有关USB 转打印口的说明请参考手册(二)CH340DS2。 在红外方式下,CH340 外加红外收发器即可构成USB 红外线适配器,实现SIR 红外线通讯。

1、特点 ● 全速USB 设备接口,兼容USB V2.0,外围元器件只需要晶体和电容。 ● 仿真标准串口,用于升级原串口外围设备,或者通过USB 增加额外串口。 ● 计算机端Windows 操作系统下的串口应用程序完全兼容,无需修改。 ● 硬件全双工串口,内置收发缓冲区,支持通讯波特率50bps~2Mbps。 ● 支持常用的MODEM 联络信号RTS、DTR、DCD、RI、DSR、CTS。 ● 通过外加电平转换器件,提供RS232、RS485、RS422 等接口。 ● 支持IrDA 规范SIR 红外线通讯,支持波特率2400bps 到115200bps。 ● 由于是通过USB 转换的串口,所以只能做到应用层兼容,而无法绝对相同。 ● 软件兼容CH341,可以直接使用CH341 的驱动程序。 ● 支持5V 电源电压和3.3V 电源电压。 ● 提供SSOP-20 无铅封装,兼容RoHS。
2、封装

3、引脚 
功能说明:
CH340芯片内置了USB上拉电阻,UD+和UD-引脚应该直接连接到USB总线上。
CH340芯片内置了电源上电复位电路。
CH340芯片正常工作时需要外部向XI引脚提供12MHz的时钟信号。一般情况下,时钟信号由CH340芯片内置的反相器通过晶体稳频振荡产生。外围电路只需要在XI和XO引脚之间连接一个12MHz的晶体,并且分别为XI和XO引脚对地连接振荡电容。



这是一款很好的芯片,本站的STC编程板就采用了该芯片。该芯片体积极小,才8mm*8mm那么大,两边出引脚贴片封装,请小心引脚折断而损坏,用该IC制作USB转串口组件,一定要用极高的电子焊接功夫,购买本IC者,建议购买本站的感光电路板自制电路板,当然,如果自己请工厂做电路板的话,那就更好。
本IC虽然是国产,优点是稳定性、可靠性好,本站的STC板采用该IC在保证电源电压稳定正常情况下,几乎接近原始串口的效果!本IC所需外围元件极少,采用12MHz晶振,电路简单,驱动程序公开让大家下载,驱动程序安装简单。装好后的安装方法和本站单片机板的安装方法一样。
(特别请注意:强列建议大家购买本站的CH340,因为本站虽然不保证大家自己能百分百制作成功,但是本站保证本站的芯片绝对是正品,组装正确极易起振,稳定性好!市场上有很多该型号的芯片性能较差,对电路板设计要求极为苛刻,很不容易起振,制作容易失败!为什么这么说呢?因为站长以前买到过性能较差的CH340芯片,这其中的苦处很少有人能体会到。)
没有购过本站单片机板的朋友和对电子没有深厚功底的朋友请不要购买本IC!
查看和发表评论 管理员一般会在8-48小时内回复,会删除无意义的留言以及重复留言,请保证留言标题清晰,内容明确! 1、评论不代表本站观点。 另外,即使是本站原创作品,本站也不保证内容绝对正确。 2、如果您拥有本文版权,并且不想在此处发表,请书面通知本站立即删除并且向您公开道歉! |