PIC系列单片机可工作于不同的振荡器方式。用户可以根据其系统设计的需要,选择下述四种振荡方式中的一种,其振荡的频率范围在DC~20/25MHz之间,如表1所示。
用户可以根据不同的应用场合,从表1所示的四种振荡方式中选择一种(使用PIC编程器时也需作这种选择的操作),以获得最佳的性能价格比。其中,LP振荡器方式可以降低系统功耗,RC振荡器方式可节省成本。
建立PIC源程序时,其振荡器方式由配置寄存器CONFIG的D1位和D0位来决定,如表2所示。
1内部晶体振荡器/陶瓷振荡器
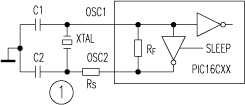
在LP、XT和HS这三种方式下,需要在微控制器引脚OSC1/CLKIN和OSC2/CLKOUT的两端接一石英晶体或陶瓷谐振器。如图1中,只
有在HS方式下才需要在振荡回路中加入电阻Rs(100Ω<Rs<1kΩ)。
2外部时钟源或外部晶体振荡器
在LP、XT和HS这三种振荡器方式下,各种PIC系列微控制器芯片既可以用集成在内部的振荡器,也可以接受外部输入的时钟源或外接晶体振荡器。若用外部时钟源或外接晶体振荡器,可把外部振荡器输出接芯片的OSC1/CLKIN引脚,此时OSC2/CLKOUT引脚开路即可。图2是外接时钟源的形式,外部晶体独立的振荡器与图2相似。
3外部RC振荡器
RC振荡器主要应用于对时间精度要求不太高的场合。
RC振荡器是在OSC1/CLKIN引脚接一串联电阻电容,如图3所示。厂家推荐电阻Rext取值在5kΩ~100kΩ之间。当Rext小于22kΩ时,振荡器的工作可能会变得不稳定或停振;当Rext取值大于1MΩ时,振荡器易受到干扰。RC振荡器产生的振荡频率fosc,经内部4分频电路分频后从OSC2/CLKOUT输出fosc/4振荡信号,此信号可以用作测试或作其它逻辑电路的同步信号。
表3给出了使用陶瓷或晶体振荡器时所需的电容器值。表4给出了使用RC振荡器的电阻器和电容器的值。此数据供设计时参考。
郑州 汪敏
